全面掌握ZQ系列減速機的技術參數和結構特點
ZQ系列減速機概述
ZQ系列減速機是工業領域應用廣泛的一種減速箱產品,主要用于為電機提供所需的減速輸出。它具有結構緊湊、傳動平穩、噪音低、效率高等特點,廣泛應用于冶金、起重、機床、包裝等多個行業。本文將對ZQ系列減速機的型號劃分、外形尺寸、性能參數等進行全面介紹,幫助讀者全面了解這一重要的工業傳動部件。
ZQ系列減速機型號分類
ZQ系列減速機按照輸入軸形式可分為ZQY同軸式、ZQS平行軸式和ZQF傘齒輪式三大類。每一大類又根據傳動比、安裝方式等不同細分為多個具體型號。以ZQY同軸式為例,常見的型號有ZQY系列、ZQYC系列、ZQYC2系列等。不同型號的主要區別在于傳動比范圍、輸入輸出軸對中關系、安裝尺寸等參數。
ZQY系列減速機外形尺寸
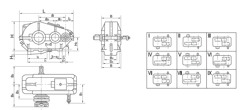
ZQY同軸式減速機是ZQ系列中應用為廣泛的一種。其外形尺寸主要由安裝腳距、軸高、軸長等參數決定。以ZQY90B2-10型號為例,其主要外形尺寸如下:
- 安裝腳距:200mm
- 軸高:90mm
- 輸入軸長:80mm
- 輸出軸長:110mm
- 總長度:245mm
- 總重量:18kg
不同型號的ZQY減速機尺寸會有所不同,用戶可根據實際應用需求選擇合適的產品。
ZQS系列減速機外形尺寸
ZQS平行軸式減速機適用于需要改變電機輸出軸與負載軸線的場合。其外形尺寸同樣由安裝尺寸、軸高、軸長等參數決定。以ZQS90B2-10型號為例,主要外形尺寸如下:
- 安裝腳距:200mm
- 軸高:90mm
- 輸入軸長:80mm
- 輸出軸長:110mm
- 總長度:295mm
- 總重量:22kg
從上述數據可以看出,ZQS系列相比ZQY系列在整體尺寸上略有增大,主要是由于增加了軸向位移。
ZQ系列減速機技術參數
無論是ZQY、ZQS還是ZQF系列,ZQ系列減速機在傳動比、輸入功率、轉速等核心參數上都有較為豐富的選擇。以ZQY系列為例,其典型技術參數如下:
- 傳動比范圍:5~450
- 輸入功率范圍:0.12~45kW
- 輸入轉速范圍:300~3000rpm
- 效率范圍:90%~96%
- 噪音水平:≤65dB(A)
- 使用壽命:20000小時
不同型號的具體參數會有所差異,用戶應根據實際應用需求選擇合適的產品。
總之,ZQ系列減速機憑借其優異的性能和廣泛的應用領域,在工業傳動領域占據重要地位。通過對其型號、外形尺寸和技術參數的全面介紹,相信讀者對這一重要傳動部件能有更加全面和深入的了解。

